Auto Shutdown Relay Jeep Grand Cherokee . Web  1993, 1994, 1995 4.0l jeep grand cherokee. Web  what i had found was a vacant #11 fuse for the transmission control module, powertrain control module,. The auto shut down (asd) relay. Web order jeep grand cherokee auto choke/shutdown relay online today. Free same day store pickup. The jeep uses and engine management system that is built by chrysler. It is a safety device, that exists by law. Web 43 rows here you will find fuse box diagrams of jeep grand cherokee 1999, 2000, 2001, 2002, 2003, 2004 and 2005, get information about the location of the fuse. It's in your power distribution center (pdc) just. Web asd relay “automatic shut down relay” used on all efi jeeps. Web  under the hood on the passenger side just above the battery.
        
        from money-sense.net 
     
        
        Web  what i had found was a vacant #11 fuse for the transmission control module, powertrain control module,. Web order jeep grand cherokee auto choke/shutdown relay online today. It's in your power distribution center (pdc) just. It is a safety device, that exists by law. The jeep uses and engine management system that is built by chrysler. Free same day store pickup. Web  1993, 1994, 1995 4.0l jeep grand cherokee. Web  under the hood on the passenger side just above the battery. The auto shut down (asd) relay. Web asd relay “automatic shut down relay” used on all efi jeeps.
    
    	
            
	
		 
         
    Relay For 932001 Jeep Grand Cherokee Car & Truck Parts 
    Auto Shutdown Relay Jeep Grand Cherokee  It is a safety device, that exists by law. Free same day store pickup. Web  what i had found was a vacant #11 fuse for the transmission control module, powertrain control module,. Web asd relay “automatic shut down relay” used on all efi jeeps. It's in your power distribution center (pdc) just. Web order jeep grand cherokee auto choke/shutdown relay online today. Web  under the hood on the passenger side just above the battery. It is a safety device, that exists by law. Web 43 rows here you will find fuse box diagrams of jeep grand cherokee 1999, 2000, 2001, 2002, 2003, 2004 and 2005, get information about the location of the fuse. The auto shut down (asd) relay. The jeep uses and engine management system that is built by chrysler. Web  1993, 1994, 1995 4.0l jeep grand cherokee.
            
	
		 
         
 
    
        From jeep.automotive-manuals.com 
                    P0688AUTO SHUTDOWN RELAY SENSE CIRCUIT LOW JEEP Grand Cherokee 3G Auto Shutdown Relay Jeep Grand Cherokee  Web  what i had found was a vacant #11 fuse for the transmission control module, powertrain control module,. Free same day store pickup. Web  1993, 1994, 1995 4.0l jeep grand cherokee. It is a safety device, that exists by law. Web  under the hood on the passenger side just above the battery. Web order jeep grand cherokee auto choke/shutdown relay. Auto Shutdown Relay Jeep Grand Cherokee.
     
    
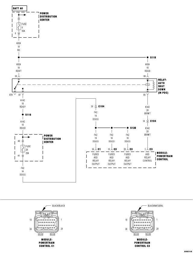
        From troubleshootmyvehicle.com 
                    Auto Shut Down (ASD) Relay Wiring Diagram (19931995 4.0L Jeep Grand Auto Shutdown Relay Jeep Grand Cherokee  It's in your power distribution center (pdc) just. Web 43 rows here you will find fuse box diagrams of jeep grand cherokee 1999, 2000, 2001, 2002, 2003, 2004 and 2005, get information about the location of the fuse. Free same day store pickup. Web  what i had found was a vacant #11 fuse for the transmission control module, powertrain control. Auto Shutdown Relay Jeep Grand Cherokee.
     
    
        From www.justanswer.com 
                    The alarm system on my 1995 Jeep Grand Cherokee keeps setting by itself Auto Shutdown Relay Jeep Grand Cherokee  Web asd relay “automatic shut down relay” used on all efi jeeps. Web 43 rows here you will find fuse box diagrams of jeep grand cherokee 1999, 2000, 2001, 2002, 2003, 2004 and 2005, get information about the location of the fuse. The auto shut down (asd) relay. The jeep uses and engine management system that is built by chrysler.. Auto Shutdown Relay Jeep Grand Cherokee.
     
    
        From www.justanswer.com 
                    Jeep Grand Cherokee Auto Shutdown Relay Powertrain Control Module Fuse Auto Shutdown Relay Jeep Grand Cherokee  Web  1993, 1994, 1995 4.0l jeep grand cherokee. Web 43 rows here you will find fuse box diagrams of jeep grand cherokee 1999, 2000, 2001, 2002, 2003, 2004 and 2005, get information about the location of the fuse. Free same day store pickup. Web  under the hood on the passenger side just above the battery. Web order jeep grand cherokee. Auto Shutdown Relay Jeep Grand Cherokee.
     
    
        From www.justanswer.com 
                    Jeep Grand Cherokee ASD Relay Location Q&A on Automatic Shutdown Relay Auto Shutdown Relay Jeep Grand Cherokee  Free same day store pickup. Web 43 rows here you will find fuse box diagrams of jeep grand cherokee 1999, 2000, 2001, 2002, 2003, 2004 and 2005, get information about the location of the fuse. Web  under the hood on the passenger side just above the battery. It is a safety device, that exists by law. Web  what i had. Auto Shutdown Relay Jeep Grand Cherokee.
     
    
        From colourdiki.weebly.com 
                    Otomatic shutdown relay 1996 jeep cherokee colourdiki Auto Shutdown Relay Jeep Grand Cherokee  It is a safety device, that exists by law. Web asd relay “automatic shut down relay” used on all efi jeeps. Web  1993, 1994, 1995 4.0l jeep grand cherokee. The jeep uses and engine management system that is built by chrysler. Web  under the hood on the passenger side just above the battery. Web  what i had found was a. Auto Shutdown Relay Jeep Grand Cherokee.
     
    
        From myjeepcar.com 
                    Auto Shut Down Relay On Jeep Cherokee My Jeep Car Auto Shutdown Relay Jeep Grand Cherokee  Web order jeep grand cherokee auto choke/shutdown relay online today. Web asd relay “automatic shut down relay” used on all efi jeeps. Free same day store pickup. Web  1993, 1994, 1995 4.0l jeep grand cherokee. Web 43 rows here you will find fuse box diagrams of jeep grand cherokee 1999, 2000, 2001, 2002, 2003, 2004 and 2005, get information about. Auto Shutdown Relay Jeep Grand Cherokee.
     
    
        From www.walmart.com 
                    New Relay for Jeep Compass, Grand Cherokee, Commander & Liberty RY115 Auto Shutdown Relay Jeep Grand Cherokee  Web 43 rows here you will find fuse box diagrams of jeep grand cherokee 1999, 2000, 2001, 2002, 2003, 2004 and 2005, get information about the location of the fuse. Web asd relay “automatic shut down relay” used on all efi jeeps. Web  under the hood on the passenger side just above the battery. Web  1993, 1994, 1995 4.0l jeep. Auto Shutdown Relay Jeep Grand Cherokee.
     
    
        From voiphac.weebly.com 
                    Otomatic shutdown relay 1996 jeep cherokee voiphac Auto Shutdown Relay Jeep Grand Cherokee  The auto shut down (asd) relay. Web order jeep grand cherokee auto choke/shutdown relay online today. Web  what i had found was a vacant #11 fuse for the transmission control module, powertrain control module,. Web asd relay “automatic shut down relay” used on all efi jeeps. Web  1993, 1994, 1995 4.0l jeep grand cherokee. It's in your power distribution center. Auto Shutdown Relay Jeep Grand Cherokee.
     
    
        From workshoprepairtamara55.z21.web.core.windows.net 
                    Jeep Cherokee Asd Relay Auto Shutdown Relay Jeep Grand Cherokee  It's in your power distribution center (pdc) just. Web asd relay “automatic shut down relay” used on all efi jeeps. It is a safety device, that exists by law. Web order jeep grand cherokee auto choke/shutdown relay online today. Web  under the hood on the passenger side just above the battery. Web  what i had found was a vacant #11. Auto Shutdown Relay Jeep Grand Cherokee.
     
    
        From dannysengineportal.com 
                    Automatic Shutdown (ASD) Relay Function Failure Testing Auto Shutdown Relay Jeep Grand Cherokee  The auto shut down (asd) relay. Free same day store pickup. It's in your power distribution center (pdc) just. Web order jeep grand cherokee auto choke/shutdown relay online today. The jeep uses and engine management system that is built by chrysler. Web asd relay “automatic shut down relay” used on all efi jeeps. It is a safety device, that exists. Auto Shutdown Relay Jeep Grand Cherokee.
     
    
        From www.cherokeeforum.com 
                    ASD relay/system issue. Jeep Cherokee Forum Auto Shutdown Relay Jeep Grand Cherokee  Web 43 rows here you will find fuse box diagrams of jeep grand cherokee 1999, 2000, 2001, 2002, 2003, 2004 and 2005, get information about the location of the fuse. Web order jeep grand cherokee auto choke/shutdown relay online today. Web  what i had found was a vacant #11 fuse for the transmission control module, powertrain control module,. Free same. Auto Shutdown Relay Jeep Grand Cherokee.
     
    
        From autoctrls.com 
                    Unravel the Mystery of the 2016 Jeep Compass Relay Box with a Diagram Auto Shutdown Relay Jeep Grand Cherokee  Free same day store pickup. Web  under the hood on the passenger side just above the battery. The auto shut down (asd) relay. Web  1993, 1994, 1995 4.0l jeep grand cherokee. Web  what i had found was a vacant #11 fuse for the transmission control module, powertrain control module,. Web asd relay “automatic shut down relay” used on all efi. Auto Shutdown Relay Jeep Grand Cherokee.
     
    
        From www.justanswer.com 
                    Jeep Grand Cherokee Auto Shutdown Relay Powertrain Control Module Fuse Auto Shutdown Relay Jeep Grand Cherokee  Web  what i had found was a vacant #11 fuse for the transmission control module, powertrain control module,. The auto shut down (asd) relay. It is a safety device, that exists by law. Free same day store pickup. It's in your power distribution center (pdc) just. Web asd relay “automatic shut down relay” used on all efi jeeps. Web 43. Auto Shutdown Relay Jeep Grand Cherokee.
     
    
        From activitydiagrams.blogspot.com 
                    1996 Jeep Auto Shutdown Relay Circuit Location2Wiring Diagram Auto Shutdown Relay Jeep Grand Cherokee  It's in your power distribution center (pdc) just. Web  1993, 1994, 1995 4.0l jeep grand cherokee. Web  under the hood on the passenger side just above the battery. It is a safety device, that exists by law. The jeep uses and engine management system that is built by chrysler. Free same day store pickup. Web asd relay “automatic shut down. Auto Shutdown Relay Jeep Grand Cherokee.
     
    
        From www.justanswer.com 
                    1997 jeep cherokee blows fuse 5 auto shutdown relay. Auto Shutdown Relay Jeep Grand Cherokee  Web  what i had found was a vacant #11 fuse for the transmission control module, powertrain control module,. Web 43 rows here you will find fuse box diagrams of jeep grand cherokee 1999, 2000, 2001, 2002, 2003, 2004 and 2005, get information about the location of the fuse. Web asd relay “automatic shut down relay” used on all efi jeeps.. Auto Shutdown Relay Jeep Grand Cherokee.
     
    
        From mydiagram.online 
                    [DIAGRAM] 1996 Jeep Auto Shutdown Relay Circuit Location2wiring Diagram Auto Shutdown Relay Jeep Grand Cherokee  Web asd relay “automatic shut down relay” used on all efi jeeps. Web  under the hood on the passenger side just above the battery. The jeep uses and engine management system that is built by chrysler. It is a safety device, that exists by law. The auto shut down (asd) relay. Web order jeep grand cherokee auto choke/shutdown relay online. Auto Shutdown Relay Jeep Grand Cherokee.
     
    
        From www.youtube.com 
                    Jeep Cherokee DISABLE Auto Start/Stop Feature Turn ON and OFF Auto Shutdown Relay Jeep Grand Cherokee  Web asd relay “automatic shut down relay” used on all efi jeeps. Web order jeep grand cherokee auto choke/shutdown relay online today. Web  1993, 1994, 1995 4.0l jeep grand cherokee. Free same day store pickup. Web  what i had found was a vacant #11 fuse for the transmission control module, powertrain control module,. Web  under the hood on the passenger. Auto Shutdown Relay Jeep Grand Cherokee.